Have a question? Give us a call! (803) 220-1634

Universal Tandem-Mount Bolt-On Balance Bar Assembly by Wilwood

$21999

Product Description

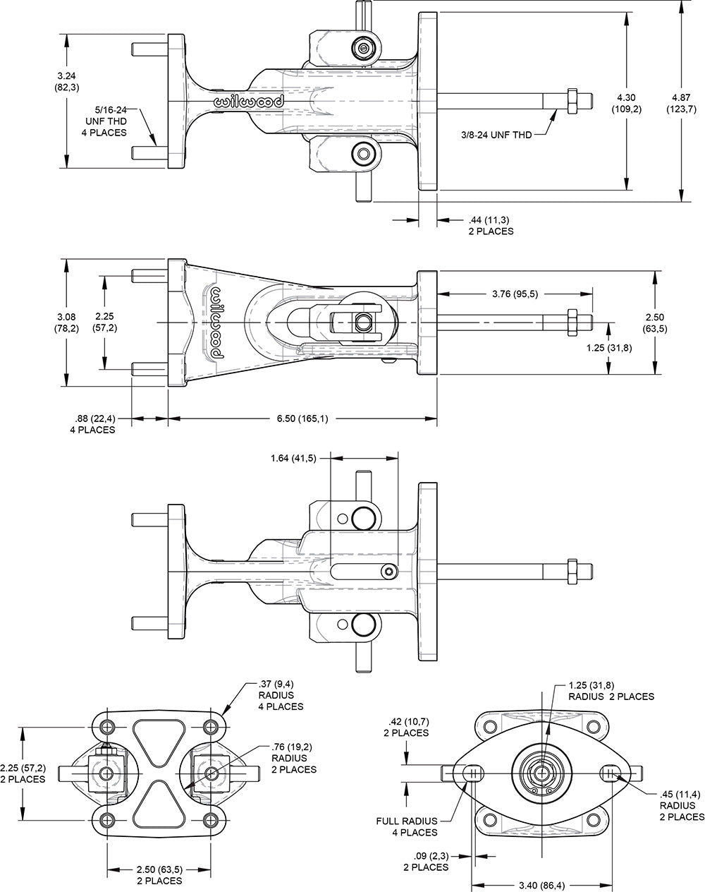
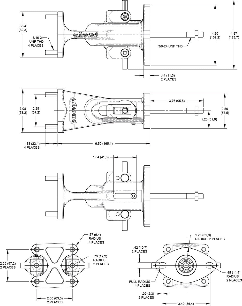
The ultimate in brake bias control for performance and race vehicles is an adjustable balance bar with dual master cylinders. Precision-engineered, this assembly features oval mounting holes for firewall studs 3.22”-3.40” (81.6-86.4mm) on center, horizontally. The balance bar end is sized to mount a pair of single master cylinders of differing bore sizes.

The same Wilwood balance bar mechanism has been proven on the track in millions of laps in various forms of racing. Set the initial bias with the master cylinder bore sizes, then take full advantage of tires, suspension, downforce, and track conditions with the built-in adjustment knob. 

Ideal for modified street cars/trucks needing fast and easy brake bias adjustability to optimize braking for different performance driving situations and skillsets.

*Choose THREADED pushrod 3/8-24 (PN 340-16920) or EYELET pushrod (340-16928) in the drop down menu. 

***MASTER CYLINDERS NOT INCLUDED. MUST BE PURCHASED SEPARATELY.

 

PRODUCT FEATURES:

  • Bolts to firewall in place of tandem master cylinder
  • Easily converts tandem master cylinder vehicles to a balance bar bias adjustable setup with individual master cylinders
  • Dual master cylinders allow better front-to-rear brake balance by utilizing differing bore sizes
  • Easily adjust brake bias with included knob, or use an optional remote cable adjuster (P/N: 340-4990)
  • Strong, lightweight forged billet aluminum construction
  • Designed with oval mounting holes for 3.22” to 3.40” on center studs for a wide variety of vehicle fitments
  • Mounts Wilwood or other brand dual master cylinders with 2.25” on-center vertical bolt holes